16 Mar,2026
기어 vs. 베인 vs. 피스톤: 어떤 산업용 유압 펌프가 최고의 효율성을 제공합니까?


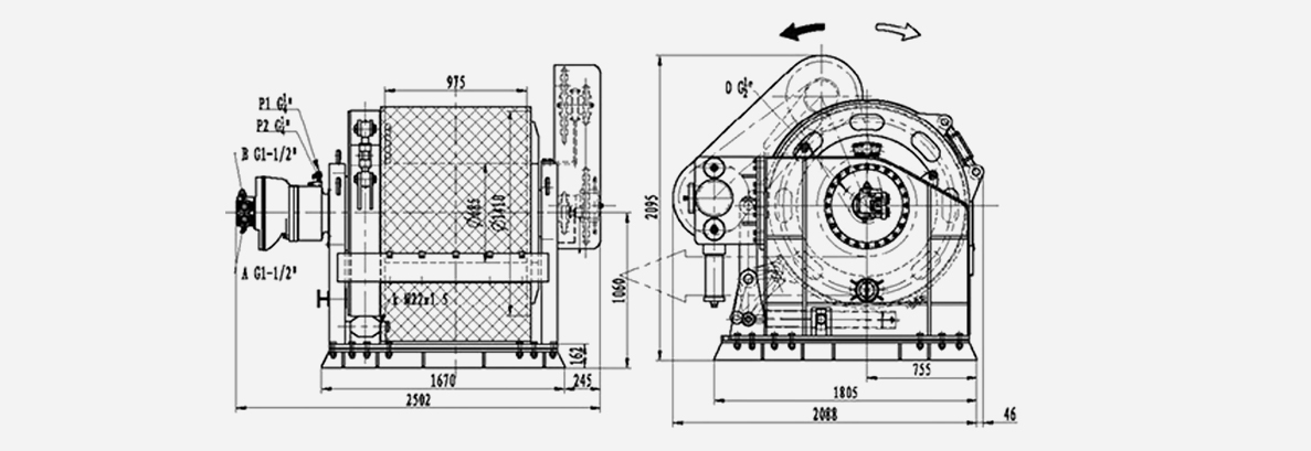
l*J---C 시리즈 계류 윈치는 당사의 특허 제품입니다. 이는 과부하 보호 기능을 갖춘 밸브 블록, 유압 모터(브레이크가 있는 전동기), 유성 기어박스, 벨트 브레이크, 톱니 클러치, 드럼 캡스턴 헤드, 프레임 등으로 구성됩니다. 밸브 블록과의 결합으로 인해 유압 시스템의 설계가 단순화되었을 뿐만 아니라 드라이브의 신뢰성도 향상되었습니다. 윈치 시리즈는 일정한 장력 밸브가 장착된 경우 CT 기능을 가질 수 있으며, 이 시리즈는 시동 효율성과 작업 효율성도 높습니다. 또한 기존 계류에 비해 시리즈의 총 전송 효율은 6~10% 향상되고 폐쇄형 행성으로 인해 에너지 손실이 더 낮습니다.
| 모델 | IYJ34.54.5-100 / 50-500-24-C-PDX | IYJ56- -200-500- -38-C-PDLX | IYJ699-C | IYJ99-600-1000-50-C-PDLX | IYJ4611-750/150-240-54-C-PDLX | IYJK08-50-150-22-PDL |
| 정격 작업 풀 1층(KN) | 100/50 | 200 | 350/140 | 600 | 750/150 | 50 |
| 브레이크 지지 하중(KN) | - | 600 | 500 | 900 | 1250 | - |
| 속도 1층(m/min) | 15/30 | 15.6 | 6/12 | 5 | 5/20
| 20 |
| 드럼 변위(mL/r) | 10143.6/5119.2 | 40936 | 75600/37800 | 90744.43 | 103304.35/25826 | 6360.66 |
| 시스템 정격 압력(MPa) | 25 | 16 | 26/10.5 | 22 | 31/26 | 15 |
| 로프 직경(mm) | 24 | 38 | 38 | 50 | 54 | 22 |
| 로프 레이어 수 | 8 | 7 | 5 | 6 | 4 | 7 |
| 드럼능력(m) | 490 | 500 | 500 | 1000 | 240 | 60 |
| 펌프유량(L/min) | 90(θv=0.9) | 300(θv=0.94) | 162(θv=0.9) | 139(θv=0.9) | 178(θv=0.9) | 79(θv=0.9) |
| 유압 모터 유형 | A6V107ED22FZ2-054 | INM5-1450D48011 | HLA4VSM2500Z-125 | INM7-3600024011 | A6VM160HD1D/63W0400VZB080 | GM3-1000-7D47 |
| 유성 기어박스 유형 | IGT6DW3-B95-A6V107(I=94.8) | C56(I=28) | IGC330W3-B302-A4V250(I=302.4) | 6C3302-335-IW7(I=25.13) | C46611(I=645.65) | - |
유명 기업에서 제공하는 제품은 사용자들의 깊은 신뢰를 받고 있습니다.
수년간의 업계 경험
공장면적
숙련된 직원
고급 생산 라인
INI Hydraulic Co., Ltd. 유압 윈치, 유압 모터, 행성 기어 박스의 설계와 제조에 전문적으로 종사한 지 이미 20여 년의 역사를 가지고 있다.우리는 아시아 전문 엔지니어링 기계 부품 공급업체 중 하나입니다.고객의 교묘한 설비 설계를 최적화하기 위해 맞춤형으로 제작하는 것은 우리가 시장에서 활력을 유지하는 방식이다.26년 동안 우리는 고객의 요구를 충족시키기 위해 끊임없이 혁신하겠다는 약속에 힘입어 자체 개발한 기술을 바탕으로 광범위한 제품 라인을 개발했다.유압 및 전기 윈치, 행성 기어 박스, 회전 드라이브, 전동 드라이브, 유압 모터, 펌프 및 유압 시스템을 포함하여 제품의 종류는 매우 다양합니다.
당사 제품의 신뢰성은 산업 기계, 건설 기계, 선박 및 갑판 기계, 해양 장비, 광산 및 야금 기계를 비롯한 다양한 응용 분야에서 강력하게 입증되었습니다.
또한 당사의 제품 품질은 세계적으로 유명한 여러 인증 기관의 승인을 받았습니다. 당사 제품이 획득한 인증에는 EC 유형 검사 인증서, BV MODE, DNV GL 인증서, EC 적합성 증명, 해양 제품 형식 승인 인증서 및 Lloyd's Register 품질 보증이 포함됩니다. 지금까지 우리는 국내 시장인 중국 외에도 미국, 독일, 네덜란드, 호주, 러시아, 터키, 싱가포르, 일본, 한국, 말레이시아, 베트남, 인도 및 이란에 제품을 널리 수출했습니다. 우리의 물류 및 A/S는 고객의 깊은 관심을 위해 신속하고 안정적으로 전 세계를 포괄합니다.
16 Mar,2026
09 Mar,2026
02 Mar,2026
23 Feb,2026
TOP