16 Mar,2026
기어 vs. 베인 vs. 피스톤: 어떤 산업용 유압 펌프가 최고의 효율성을 제공합니까?


고압, 고속 구동 및 밸런스 밸브를 갖춘 모터,
고부하 조건을 위해 설계되었습니다.
6~50톤 유압 굴착기에 이상적인 솔루션입니다.
효율적이고 컴팩트한 디자인
고압 기술은 유압 시스템의 효율성을 높입니다.
밸런스 밸브와 압력 릴리프 밸브가 통합된 2단 모터
모터는 유압 제동 기능을 통합합니다.
요청 시 속도가 자동으로 변경될 수 있습니다.
저온, 고효율
작동 온도 범위: -20°C~80°C
컴팩트한 디자인
저변위 고압 모터는 중요 부품의 수명을 연장하고 전체 성능을 향상시킵니다.
시스템의 내구성
유압 플런저 회전을 위한 전체 구리 라이너
이중 금속(구리/강철) 분배 트레이
특수 스프링 시스템과 회전 조합으로 모터 수명 연장
감속기의 삼중 씰링 시스템: 기계식 래버린스 씰, V형 오일 씰, 메인 오일 씰.
감속기를 분해하지 않고도 메인 오일 씰을 교체할 수 있습니다.
감속기의 베어링은 독립적인 구성 요소로 설치가 쉽고 음의 하중에 대해 완전히 사전 설정될 수 있습니다
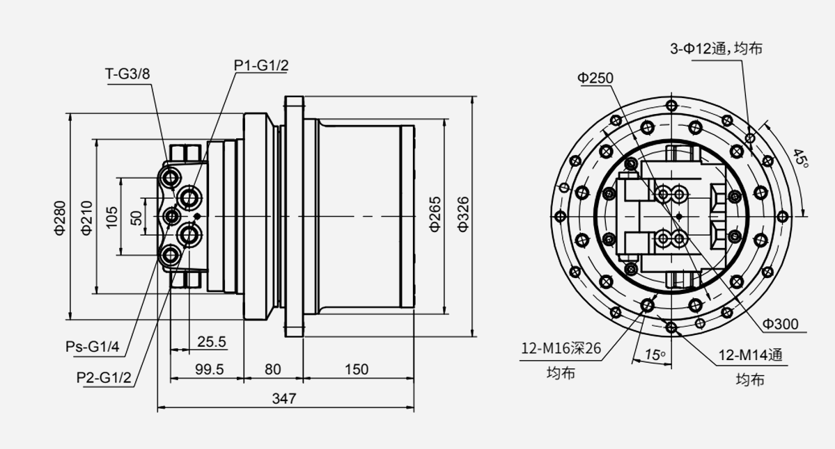
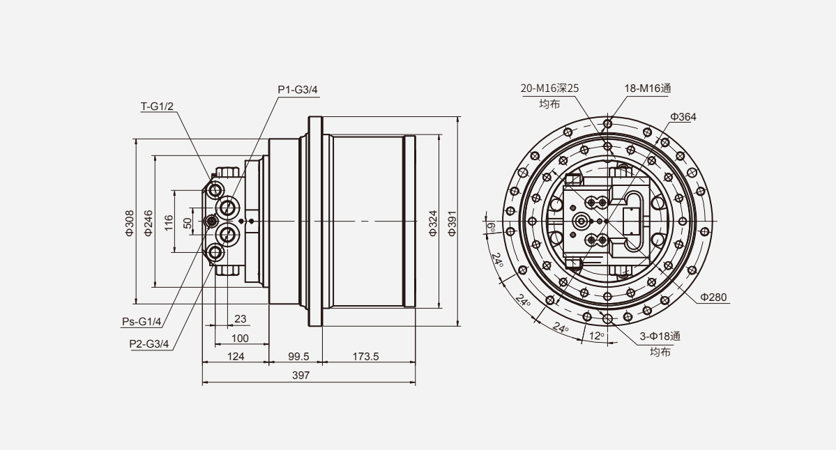
ITM01:
| 모달 | (L/분) | (ML/r) | (MPa) | (MPa) | 기어비 | (N.m) | (r/분) | 회전 | (℃) | (mm2/초) |
| ITM01 | 20 | 6.31/12.56 | 25 | 2-7 | 36.96 | 1845 | 85.8/43 | 양방향 | -20-80 | 16-25 |
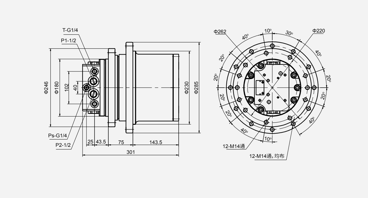
| 모달 | (L/분) | (ML/r) | (MPa) | (MPa) | 기어비 | (N.m) | (r/분) | 회전 | (℃) | (mm2/초) |
| ITM03 | 40 | 12/18 | 21 | 2-7 | 45.2 | 2719 | 55/37 | 양방향 | -20-80 | 16-25 |
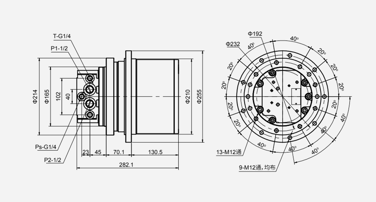
ITM04:
| 모달 | (L/분) | (ML/r) 모터 | (MPa) | (MPa) | 기어비 | (N.m) | (r/분) | 회전 | (℃) 기름 | (mm2/초) |
| ITM04 | 40 | 14.3/23.6 | 21 | 2-7 | 52.7 | 4200 | 55/33 | 양방향 | -20-80 | 16-25 |
| 모달 | (L/분) 입력유량 | (ML/r) | (MPa) | (MPa) | 기어비 | (N.m) | (r/분) | 회전 | (℃) | (mm2/초) |
| ITM06 | 50 | 19/34 | 24.5 | 2-7 | 47.53 | 6300 | 55/30 | 양방향 | -20-80 | 16-25 |
| 모달 | (L/분) 입력유량 | (ML/r) | (MPa) 작동 압력 | (MPa) | 기어비 | (N.m) | (r/분) | 회전 | (℃)기름 | (mm2/초) |
| ITM07 | 50 | 22/44 | 27.5 | 2-7 | 53.706 | 10500 | 50/25 | 양방향 | -20-80 | 16-25 |
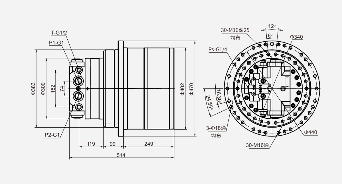
ITM09:
| 모달 | (L/분) | (ML/r) | (MPa) | (MPa) | 기어비 | (N.m) | (r/분) | 회전 | (℃) | (mm2/초) |
| ITM09 | 80 | 34/53 | 30 | 2-7 | 53.7 | 11500 | 51/33 | 양방향 | -20-80 | 16-25 |
| 모달 | (L/분) | (ML/r) | (MPa) | (MPa) | 기어비 | (N.m) | (r/분) | 회전 | (℃) | (mm2/초) |
| ITM10 | 80 | 38/65 | 25 | 2-7 | 53.7 | 13000 | 51/33 | 양방향 | -20-80 | 16-25 |
| 모달 | (L/분) | (ML/r) | (MPa) | (MPa) | 기어비 | (N.m) | (r/분) | 회전 | (℃) | (mm2/초) |
| ITM18 | 130 | 43/67 | 30 | 2-7 | 53 | 16900 | 57/37 | 양방향 | -20-80 | 16-25 |
| 모달 | (L/분) | (ML/r) | (MPa) | (MPa) | 기어비 | (N.m) | (r/분) | 회전 | (℃) | (mm2/초) | 해당되는 모델 |
| ITM22 | 130 | 48/81 | 34.3 | 2-7 | 53.7 | 23700 | 50/30 | 양방향 | -20-80 | 16-25 | 13-17 |
| 모달 | (L/min) | (ML/r) | (MPa) | (MPa) | 기어비 | (N.m) | (r/분) 이론적인 | 회전 | (℃) | (mm2/초) |
| ITM40 | 230 | 99/147 | 34.3 | 2-7 | 50.5 | 40546 | 50/32 | 양방향 | -20-80 | 16-25 |
| 모달 | (L/min) | (ML/r) | (MPa) | (Mpa) | 기어비 | (N.m) | (r/분) | 회전 | (℃) | (mm2/초) |
| ITM60 | 330 | 195/120 | 34.3 | 2-7 | 63.84 | 67000 | 40/26 | 양방향 | -20-80 | 16-25 |
유명 기업에서 제공하는 제품은 사용자들의 깊은 신뢰를 받고 있습니다.
수년간의 업계 경험
공장면적
숙련된 직원
고급 생산 라인
INI Hydraulic Co., Ltd. 유압 윈치, 유압 모터, 행성 기어 박스의 설계와 제조에 전문적으로 종사한 지 이미 20여 년의 역사를 가지고 있다.우리는 아시아 전문 엔지니어링 기계 부품 공급업체 중 하나입니다.고객의 교묘한 설비 설계를 최적화하기 위해 맞춤형으로 제작하는 것은 우리가 시장에서 활력을 유지하는 방식이다.26년 동안 우리는 고객의 요구를 충족시키기 위해 끊임없이 혁신하겠다는 약속에 힘입어 자체 개발한 기술을 바탕으로 광범위한 제품 라인을 개발했다.유압 및 전기 윈치, 행성 기어 박스, 회전 드라이브, 전동 드라이브, 유압 모터, 펌프 및 유압 시스템을 포함하여 제품의 종류는 매우 다양합니다.
당사 제품의 신뢰성은 산업 기계, 건설 기계, 선박 및 갑판 기계, 해양 장비, 광산 및 야금 기계를 비롯한 다양한 응용 분야에서 강력하게 입증되었습니다.
또한 당사의 제품 품질은 세계적으로 유명한 여러 인증 기관의 승인을 받았습니다. 당사 제품이 획득한 인증에는 EC 유형 검사 인증서, BV MODE, DNV GL 인증서, EC 적합성 증명, 해양 제품 형식 승인 인증서 및 Lloyd's Register 품질 보증이 포함됩니다. 지금까지 우리는 국내 시장인 중국 외에도 미국, 독일, 네덜란드, 호주, 러시아, 터키, 싱가포르, 일본, 한국, 말레이시아, 베트남, 인도 및 이란에 제품을 널리 수출했습니다. 우리의 물류 및 A/S는 고객의 깊은 관심을 위해 신속하고 안정적으로 전 세계를 포괄합니다.
16 Mar,2026
09 Mar,2026
02 Mar,2026
23 Feb,2026
TOP